繁體中文 | English
首 页 企业简介 新闻中心 产品展示 服务中心 企业资质 诚聘英才 联系我们
产品搜索:
销售热线:0451-82330337
当前位置:产品展示 > 安全阀
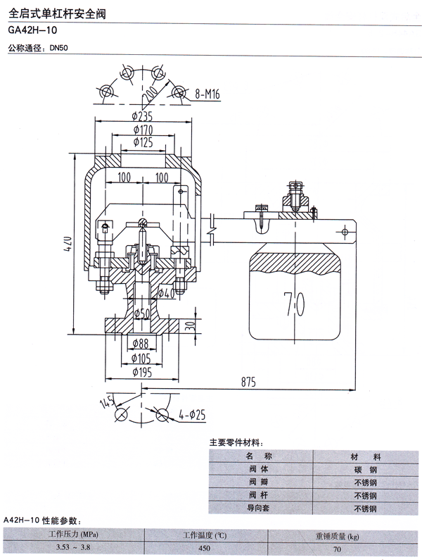
全启式单杠杆安全阀GA42H-10
关闭窗口 上一页
 

哈尔滨锅炉阀门制造有限公司 版权所有 地址:中国哈尔滨市动力区旭升街15号 黑ICP备06003085号
销售热线:0451-82330337 图文传真:0451-82330843 邮编:150046